首页 / 行业资讯

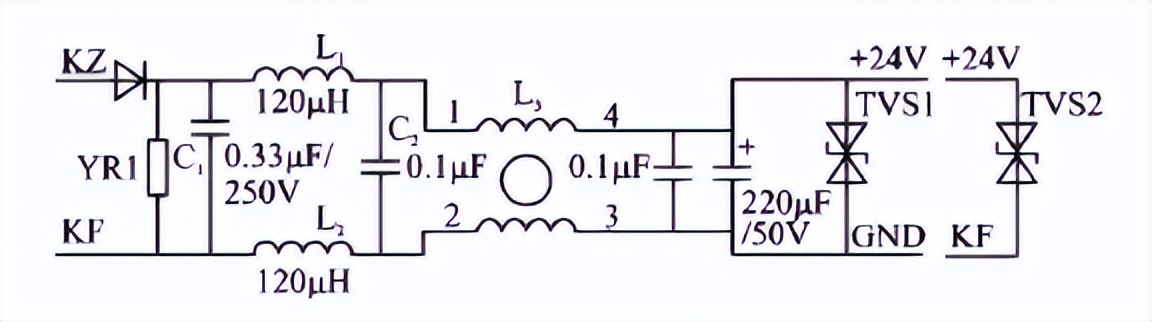
实战指南:电源电路中的EMC设计与优化

2024-07-22 16:35:54 657 : #电路设计#EMC#电源#电路
item-img

标签

意法半导体(ST)传感器二级管电容器存储器可调电感器磁珠电源模块嵌入式产品开发嵌入式硬件开发流程TL064CDTMCUSTM32F070CBT6电源管理(PMIC)晶闸管MOS管硬件设计电加热器嵌入式系统电阻器运算放大器数字电源PCB薄膜电容电解电容电路锂电池锂离子电池IC电源海思芯片麒麟芯片电源芯片功率放大器NTC热敏电阻电力电容器无源滤波器励磁变压器苹果M系列芯片Buck电路AC/DC转换器IGBT铝电解电容器钽电容器铝聚合物电容器超级电容器双电层电容器陶瓷电容器薄膜电容器浪涌抑制ic静电放电 (ESD)PTC可复位保险丝EMIBuck电路优化EMC开关模式电源(SMPS)电感器光刻机电路保护避雷器气体放电管涌流限制器( ICL)断路器开关电源GFCI保险丝热熔断体(温度保险丝)芯片电阻/贴片电阻电路设计连接器圆形连接器套管连接器ESD端子连接器模块化连接器同轴连接器RS-485安华高瑞萨电子PCB Layout爬电距离电气间隙三星电子稳压电源DC-DC转换器充电电路电路图大全存储器连接器积层式电感磁珠芯片制造过程TVS二极管Lot Number被动元件电路分析方法开关电源重型连接器端子块电气连接瑞萨奥腾收购信号隔离器安全栅区别英飞凌Q3财务营收D-sub连接器D型连接器背板连接器AC电源连接器刀片式电源连接器光纤连接器俄罗斯半导体硅晶圆中微半导体电子元件行业动态无源电子元件德州仪器基本电子元件焊接电子元件电子元件原理电子元件的工作原理电路板(PCB)测试元件发光二极管性能参数第一代计算机中使用了哪些电子元件第一代计算机矩形连接器电子元器件分销商电子元器件在线商城VCO压控振荡器电压控制振荡器编码器编码器常见类型编码器的应用电子元器件采购振荡器可编程振荡器谐振器谐振器的工作原理谐振器的作用晶振晶振基础知识介绍晶振选型指南接近传感器传感器传感器的安装与维护超声波传感器超声波传感器的用途色彩传感器选择指南运动传感器运动传感器的工作原理运动传感器的作用运动传感器的类型压力传感器如何选择压力传感器压力传感器的维护技巧关闭接近传感器的方法电流传感器CPUCPU 接近传感器的平均温度电感式接近传感器光纤电流传感器优势特点如何选择合适的传感器触摸传感器触摸传感器原理触摸传感器优势触摸传感器的编程接口示例触摸传感器的故障排查方法触摸传感器的选购指南触摸传感器的品牌供应商有哪些触摸传感器开关电容式触摸传感器位置传感器位置传感器的常见类型位置传感器的工作原理如何安装位置传感器华为节气门位置传感器如何安装湿度传感器湿度传感器的日常维护湿度传感器的校准湿度传感器湿度传感器的类型湿度传感器的选择湿度传感器工作原理湿度传感器的优缺点湿度传感器的故障湿度传感器的清洁与维护测量湿度的方法干湿球温度计法露点仪法氯化锂湿度计法曲轴位置传感器曲轴位置传感器故障曲轴位置传感器检测什么是Wago连接器Wago 连接器和套管对比导线连接器套是什么导线连接器套的常见类型收缩套管电线连接器的作用使用吹风机加热收缩套管电线连接器的方法8 针模块化连接器如何选购8 针模块化连接器RJ45连接器什么是ABS模块连接器ABS模块连接器的常见故障移除ABS模块连接器的方法步骤针脚 PC 连接器内存类型

热门型号