锂电池与锂离子电池:厘清概念差异
2024-04-23 15:01:26 69
锂电池保护电路是确保锂离子电池在使用过程中安全、高效工作的关键组件,其主要目的是防止电池在过充电、过放电、过电流、短路等异常状况下受到损害,延长电池寿命并降低火灾、爆炸等安全隐患。
1、锂离子电池介绍
锂离子电池是一种二次电池(充电电池),它主要依靠锂离子在正极和负极之间移动来工作。在充放电过程中,Li+在两个电极之间往返嵌入和脱嵌,充电时,Li+从正极脱嵌,经过电解质嵌入负极,负极处于富锂状态;放电时则相反。
锂离子电池电压范围2.8V~4.2V,典型电压3.7V,低于2.8V或者高于4.2V,电池都会有损坏风险。
2、1C和0.1C的概念
1C和0.1C分别代表电池以自身容量的1倍和0.1倍电流进行充放电,反映了电池工作时的电流强度与电池容量之间的关系。较高的C值对应较快的充放电速度,较低的C值则对应较慢且更为温和的充放电过程。在实际应用中,选择合适的充放电倍率需考虑电池类型、电池管理系统(BMS)的要求、设备的功率需求以及对电池寿命和安全性的影响等因素。
3、锂离子电池的优缺点
锂离子电池的主要优点:
-
锂离子电池电压高,能量密度高;
-
循环寿命长,一般可循环500,甚至达到1000次以上;
-
自放电小,室温下充满电的Li-ion储存1个月后的自放电率为10%左右;
-
可快速充电,1C充电时容量可以达到标称的80%;
-
工作温度范围宽,一般为-25~45°C,后面有望突破-40-70°C;
-
没有Ni-Cd、Ni-Mh一样的记忆效应,在充电前不必将剩余电量用完;
-
相比较Ni-Cd、Ni-Mh来说环保无污染(不含镉,汞等重金属);
锂离子电池的主要缺点:
-
成本高;
-
需要加保护电路板,包括过充和过放保护;
-
不能大电流放电,一般放电电流在0.5C以下,过大的电流导致电池内部发热;
-
安全性差,容易爆炸、起火。
4、锂电池和锂离子电池的区别
锂电池和锂离子电池是两个不同的概念,主要有如下的区别:
-
锂电池的正极材料是二氧化锰或亚硫酰氯,负极是锂;
-
锂离子电池是以含锂的化合物作正极的锂电池,在充放电过程中,没有金属锂存在,只有锂离子;
-
锂电池也称一次锂电池,可以连续放电,也可以间歇放电,一旦电能耗尽便不能再用,不能进行充电;
-
锂离子电池也称二次锂电池,可以充放电;
5、锂离子电池充电模式
锂离子电池理想充电模式被称为CC CV模式,即恒流 恒压模式。
如下的图形中,灰色为电池电压,绿色为充电电流,红色为电池容量。
在电池电压低时,电池以固定的恒定电流进行充电,当电池电压达到4.2V时,会由恒流模式切换到恒压模式,因为电池的电压不容许超过4.2V,所以系统会逐渐减小充电电流,直到接近于0;当电池电压为4.2V,且充电电流为0,代表电池已充满电。

锂离子电池CC CV模式
为了保证电池的绝对安全,实际的充电模式会更细化,对于不确定的电池上来就按照恒流进行充电,会给电池造成更大的损坏。
-
测试模式,当电池电压低于2V时,会以很小的电流,对电池进行唤醒;
-
涓流充电,也叫预充模式,当电池电压处于2V~3V之间时,会以恒流充电的1/10或者1/20电流大小进行预充;
-
恒流充电,当电池电压升至3V以上时,会以恒流模式对电池快速充电;
-
恒压充电,当电池电压达到4.2V时,会以恒压模式对电池进行充电;
像TI的方案,在电池电压为4.2V,充电电流较低但不为0,约为恒流充电电流的1/10时,停止充电,这时候电池电压会降低到4.16V或者4.17V;

锂离子电池充电的三个阶段
6、为什么锂离子电池充电截止电压是4.2V
下图是电池的循环寿命和充电截止电压的关系图,在电池最初的周期中,充电到略高的电压会得到更高的单周期电量,但只会存在一小段时间。当电池的充电电压比推荐的4.2V最高电压还要高50mV或100mV时,由于每个周期都会略微过度充电,因此电池的老化速度会大大加快。
总结一句话就是:电池的充电截止电压高于4.2V,电压越高,循环寿命越短,且电池容量下降越快。

锂离子电池循环寿命和充电截止电压的关系
7、锂离子电池放电曲线
如下是锂离子电池在不同放电电流下的放电曲线,可以看出:放电电流越大,电池的容量下降越快,容量越低,电池的标称容量使用越不充分。
电池容量越低时,电池的内阻相应会增加较多,比较大的电流进行放电时,内阻增长的比较快。

锂离子电池不同放电电流下的放电曲线
从不同温度下的电池放电曲线可以看出:温度越低,电池容量下降越快,放电越不充分。
电池的温度在0度以下,内部活性成分很弱,内阻会相应的变大;过高的温度对电池也有损坏。

锂离子电池不同温度下的放电曲线
8、锂离子电池循环次数
在实际中,每当累积的放电容量等于设计容量时,则记为循环一次。

锂离子电池循环寿命
国标规定锂离子电池的循环寿命测试条件及要求:在25度室温条件下以1C充电150分钟,以恒流1C的放电电流放到2.75V截止为一次循环。当有一次放电时间小于36分钟时试验结束,循环次数必须大于300次。
-
这个定义规定了循环寿命的测试是以深充深放方式进行的;
-
规定了循环寿命按照这个模式执行后必须超过300次以后容量仍然有60%以上;
9、锂离子电池工作电压范围
-
钴酸锂(LiCoO₂)电池:
-
标称电压:约为3.6V
-
充电截止电压(满充电压):通常为4.2V
-
放电截止电压(最低工作电压):通常为2.75V至3.0V,为保护电池,实际应用中推荐不低于3.0V终止放电
-
-
镍钴锰酸锂(NMC)电池:
-
标称电压:通常介于3.6V至3.½V之间,具体取决于NMC三元材料的比例(如NMC111、NMC532、NMC811等)
-
充电截止电压:一般也为4.2V
-
放电截止电压:类似钴酸锂电池,推荐不低于3.0V终止放电
-
-
镍钴铝酸锂(NCA)电池:
-
标称电压:接近钴酸锂,约为3.6V
-
充电截止电压:同样为4.2V
-
放电截止电压:与钴酸锂相似,推荐不低于3.0V终止放电
-
-
磷酸铁锂(LFP)电池:
-
标称电压:约为3.2V
-
充电截止电压:通常设定为3.65V
-
放电截止电压:较为保守,推荐在2.0V至2.5V之间终止放电,以保证电池寿命和安全性
-
-
总体通用范围:
-
标称电压:通常为3.7V(对于大多数商业化锂离子电池)
-
正常工作电压范围:一般为2.5V至4.25V,涵盖多数锂离子电池类型的典型工作区间
-
充电截止电压:通常为4.2V,这是许多锂离子电池设计的最高充电电压
-
放电截止电压:根据不同类型,推荐在2.0V至3.0V之间,具体取决于电池化学体系和保护要求
-
在实际应用中,为了保护电池不受损害,电池组(battery pack)通常配备电池管理系统(BMS),该系统会监控每个电池单元的电压、电流和温度,确保电池在安全范围内工作。BMS会在电池充电达到预设的截止电压时停止充电过程,防止过充;同样,在电池电压降至预设的最低放电电压时,BMS会切断放电回路,防止过放。这些保护措施有助于延长电池寿命,防止热失控等安全隐患,并维持电池性能。
但是要注意,上述数据为一般情况下的典型值,具体电池产品的电压范围应参照其制造商提供的技术规格和操作指南。

锂离子电池电压范围
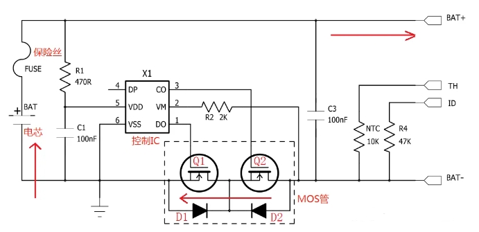
10、锂电池保护板组成
一般的锂电池保护板由控制IC、MOS管、电阻电容、保险丝FUSE等组成,如下图所示。

常见的锂电池保护板电路图
TH为温度检测,内部是一个10K NTC接到电池负极;ID是电池在位检测,一般是47K/10K电阻接到电阻负极,有的是0R电阻;TH和ID均是选配,并不是所有锂电池都有的。
11、过充保护
电池充电时,电流(方向如箭头所示)从电池包的正极流入,经过FUSE后从负极流出,最下方的两个MOS管均是导通状态。

电池充电时电流方向如箭头所示
充电时,控制IC X1会时刻监测第5脚VDD和第6脚VSS之间的电压,当这个电压大于等于过充截止电压且满足过充电压的延时时间时,X1会通过控制第3脚来关闭MOS管Q2,Q2被关闭之后,充电回路被切断(Q2的体二极管D2也是反向截止的),这个时候,电池只能放电。
过充保护解除条件(满足其一即可):
1,电芯两端的电压下降到保护IC的过充恢复电压。
2,在电池包得输出端加负载放电,放电到电压小于过充保护电压。
12、过放保护
在电池包两端加负载放电时,电流(方向如箭头所示)与充电是相反的,如下图所示。

电池放电时电流方向如箭头所示
放电时,控制IC X1同样会时刻监测第5脚VDD和第6脚VSS之间的电压,当这个电压小于等于过放截止电压且达到过放电压的延时时间,控制IC X1会通过第1脚关闭Q1,Q1被关闭之后,放电回路被切断(Q1的体二极管D1是反向截止),这个时候,电池只能充电。
过放保护解除条件:拿掉负载,给电池包充电,当VM-VDD之间的电压达到过放恢复电压值时,控制IC X1会重新打开MOS管Q1。
13、过流保护/短路保护
过流保护指的是过放电流的保护,一般的控制IC有过流保护和短路保护两种,控制IC时刻监测VSS-VM之间的电压值,当电压值达到过流保护或者短路保护的阈值且满足延时时间,控制IC会将MOS管Q1关闭,切断放电回路。

电池放电时电流方向如箭头所示
过电流保护解除的条件是:将输出端负载拿掉,控制IC会自动将Q1重新打开。
过流保护的电压值一般是0.1~0.2V,短路保护检测的电压值一般是0.9V~2V,这两个值都与控制IC有关系,不同的IC,这两个值不一样。
短路保护电压值指的是电流流经Q1和Q2上的导通压降,即可以得出,如果MOS管的导通内阻越大,保护电流值就越小。如:内阻为20mΩ的MOS管,选用的过电流值为0.15V的控制IC,那过流保护的电流应为:0.15V/(0.02*2)=3.75A。
14、控制IC失效之后的FUSE保护
控制集成电路(IC)失效后的FUSE保护机制,是电路设计中一种重要的故障防护手段,旨在防止因控制IC故障可能导致的系统损坏、安全隐患或不可控状态。通过切断故障电流或电源供应,防止因IC故障引发的过电流、过热、系统紊乱等问题,保障设备安全并减小潜在损失。在实际设计中,应结合具体应用需求和安全标准,合理配置FUSE和其他保护措施,构建完善的安全防护体系。




