Analog Electronics Essentials: A Complete Guide to the Eight Fundamental Circuits
2024-07-31 10:17:53 1544
In the field of electronic technology, those circuits that process continuously changing signals, such as power supply circuits, amplifiers, oscillators, and modulation circuits, are collectively referred to as analog electronic circuits. These circuits are called analog circuits because they can perform various forms of processing and processing of analog signals, such as adjusting the amplitude or frequency of the signal to meet different application requirements.
For example, in a communication system, a modulation circuit is used to load information onto a high-frequency carrier to facilitate the long-distance transmission of signals; The oscillating circuit generates a stable high-frequency signal, which acts as the clock or carrier source of the entire system. The amplifier circuit is responsible for enhancing the strength of the signal to ensure that the signal can maintain clarity during transmission; As for the power circuit, it is to provide the stable voltage or current required for these functions to ensure the normal operation of the entire system.
1. What is the feedback
Feedback plays a crucial role in these circuits. Feedback refers to the change in the output being sent to the input in some way as part of the input. If the returned part and the original input part are subtracted, that is, the opposite effect is introduced, then this feedback is called negative feedback. Negative feedback is often used to stabilize the operating point of a circuit, reduce nonlinear distortion, and increase the bandwidth of the circuit. Conversely, if the part returned enhances the original input, positive feedback is formed, which usually causes the circuit to enter an unstable state, but in some cases, such as in oscillator designs, this is necessary.
2. What are the coupling ways
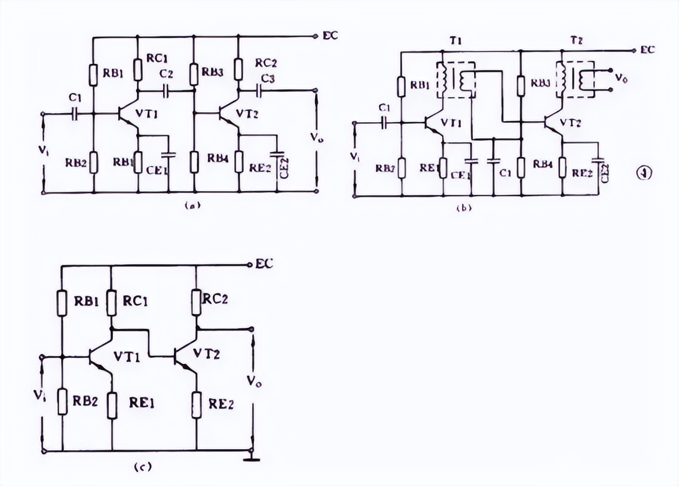
An amplifier usually has several stages, and the connection between the stages is called coupling. There are three types of interstage coupling for amplifiers:
RC coupling (see Figure a): The advantages are simple and low cost. But the performance is not optimal.
② Transformer coupling (see Figure b): the advantages are good impedance matching, high output power and efficiency, but the transformer production is more troublesome.
③ Direct coupling (see Figure c): the advantage is that the frequency band is wide, and it can be used as a DC amplifier, but the front and back stages are hampered, the stability is poor, and the design and production are more troublesome.
3. Power amplifier
An amplifier that amplifies the input signal and provides sufficient power to the load is called a power amplifier. For example, the final amplifier of a radio is a power amplifier.
Class A single-tube power amplifier
The load resistance is a low impedance loudspeaker, and the transformer can play the role of impedance transformation, so that the load can get greater power.
This circuit regardless of whether there is an input signal, the transistor is always in the on-state, the static current is relatively large, the collector loss is large, and the efficiency is not high, about only 35%. This working state is called class A working state. This circuit is generally used in the case of not too much power, and its input mode can be transformer coupling or RC coupling.
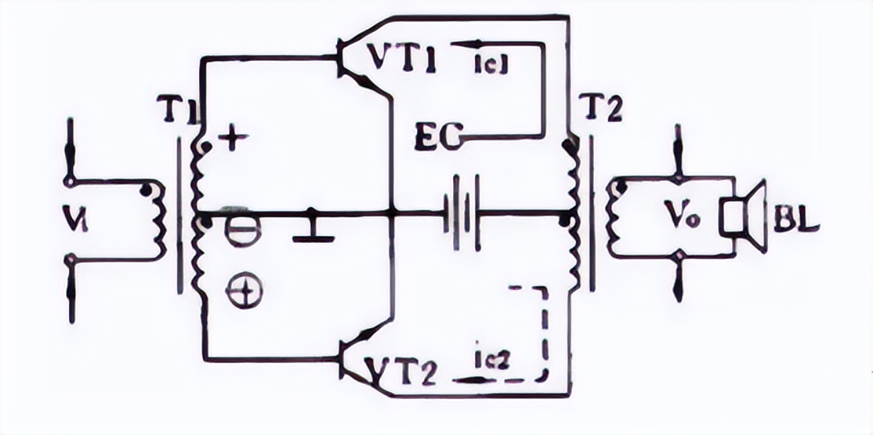
Class B push-pull power amplifier
The following is a commonly used Class B push-pull power amplifier circuit.
It consists of two transistors with the same characteristics of a symmetrical circuit, in the absence of input signals, each tube is in a cut-off state, the static current is almost zero, only when there is a signal input the tube will be switched on, this state is called class B working state. When the input signal is a sine wave, VT1 conducts and VT2 ends in positive half week, and VT2 conducts and VT1 ends in negative half week. The alternating current of the two tubes is synthesized in the output transformer, resulting in a pure sine wave on the load. This form of alternating operation of two tubes is called a push-pull circuit.
OTL power amplifier
OTL circuit, a transformerless Class B push-pull amplifier widely used at present, is a kind of power amplifier with good performance. For ease of explanation, an OTL circuit with an input transformer and no output transformer is introduced first, as shown in the figure below.
4. Dc amplifier
Circuits that can amplify DC signals or signals that change very slowly are called DC amplifiers or DC amplifiers. These amplifiers are commonly used in measurement and control.
Two-tube direct-coupled amplifier
Dc amplifiers cannot be coupled by RC or transformer, only by direct coupling. Below is a two-stage direct-coupled amplifier. The direct coupling mode will bring about the mutual check of the operating points of the front and rear stages, and the resistor R E is added to the emitter of VT2 in the circuit to increase the emitter potential of the rear stage to solve the check of the front and rear stages.
Another more important problem with DC amplifiers is zero drift. The so-called zero drift means that when the amplifier has no input signal, the static potential changes slowly due to the instability of the operating point, and this change is amplified step by step, so that the output end produces false signals. The more amplifier stages, the more serious the zero drift. Therefore, this two-tube direct-coupled amplifier can only be used in low-demand occasions.

Differential amplifier
The solution to zero drift is to use a differential amplifier. The figure below shows the widely used emitter-coupled differential amplifier. It uses dual power supplies, where VT1 and VT2 have the same characteristics, the two groups of resistance values are also the same, and R E has a negative feedback effect. This is actually a bridge circuit, two R C and two tubes are four bridge arms, and the output voltage V 0 is taken out from the diagonal of the bridge. When there is no input signal, because RC1=RC2 and the two tubes have the same characteristics, the bridge is balanced and the output is zero. Because it is connected to the bridge shape, the zero drift is also small. Differential amplifiers are widely used because of their good stability.
5. Integrated operational amplifier
Integrated operational amplifier is a kind of multistage DC amplifier made on an integrated chip, as long as a small number of external components can complete various functions of the device. Because it was early used in analog computers to do adder, multiplicator used, so called operational amplifier.
6. Oscillator
A circuit that can automatically convert direct current energy into an AC signal with a certain amplitude and a certain frequency without an external signal is called an oscillating circuit or oscillator. This phenomenon is also called self-excited oscillation. In other words, the circuit that can produce AC signals is called the oscillation circuit.
An oscillator must consist of three parts: an amplifier, a positive feedback circuit and a frequency-selective network. The amplifier can apply a constant value to the input signal added to the input end of the oscillator. The positive feedback circuit ensures that the feedback signal provided to the oscillator input is in the same phase, and only in this way can the oscillation be maintained. A frequency-selective network allows only a certain frequency, f0, to pass through, allowing the oscillator to produce a single frequency output.
Whether the oscillator can oscillate and maintain a stable output is determined by the following two conditions; One is that the feedback voltage Uf and the input voltage Ui must be equal, which is the amplitude balance condition. Second, Uf and Ui must be in the same phase, which is the phase balance condition, that is, positive feedback must be guaranteed. Under normal circumstances, the amplitude balance condition is often easy to do, so in judging whether an oscillating circuit can oscillate, mainly to see whether its phase balance condition is established.
According to the oscillation frequency, the oscillator can be divided into ultra-low frequency (below 20 Hz), low frequency (20 Hz ~ 200 KHZ), high frequency (200 KHZ ~ 30 MHZ) and ultra-high frequency (10 MHZ ~ 350 MHZ). According to the oscillation waveform, it can be divided into sine wave oscillation and non-sine wave oscillation.
Sine wave oscillators can be divided into LC oscillator, RC oscillator and quartz crystal oscillator according to the components used in the frequency selection network. Quartz crystal oscillators have a high frequency stability and are only used in highly demanding situations. In general household appliances, a large number of LC oscillators and RC oscillators are used.
LC oscillator
The frequency selection network of LC oscillator is LC resonant circuit. Their oscillation frequency is relatively high, and there are 3 common circuits.
1) Transformer feedback LC oscillation circuit
Figure (a) shows the transformer feedback LC oscillator circuit. The transistor VT is a common emitter amplifier. The primary of the transformer T is an LC resonant circuit that plays a role of frequency selection, and the secondary of the transformer T provides a positive feedback signal to the amplifier input. When the power is turned on, there is a weak transient current in the LC loop, but only a current with the same frequency and the resonant frequency of the loop f 0 can produce a higher voltage at both ends of the loop, and this voltage is sent back to the base of the transistor V through the coupling of the transformer's primary stage L1 and L2. As can be seen from Figure (b), as long as there is no error in the connection, the feedback signal voltage is in phase with the input signal voltage, that is, it is positive feedback. Thus the oscillation of the circuit quickly intensifies and finally stabilizes.
The characteristics of transformer feedback LC oscillator circuit are: wide frequency range, easy to vibrate, but the frequency stability is not high. Its oscillation frequency is: f 0 =1/2π LC. It is often used to generate sine wave signals of tens of kilohertz to tens of megahertz.
2) Inductance three-point oscillation circuit
Figure (a) is another commonly used inductive three-point oscillator circuit. In the figure, inductors L1, L2 and capacitor C constitute a resonant circuit that acts as a frequency selection. Take the feedback voltage from L2 and apply it to the base of the transistor VT. It can be seen from Figure (b) that the input voltage and feedback voltage of the transistor are in phase and meet the phase balance condition, so the circuit can start vibration. Since the three poles of the transistor are respectively connected to the three points of the inductor, it is called the inductor three-point oscillation circuit.
The characteristics of inductance three-point oscillator circuit are: wide frequency range, easy to vibrate, but the output contains more high-order modulated waves, and the waveform is poor. Its oscillation frequency is: f 0 =1/2π LC, where L=L1 + L2 + 2M. It is often used to generate sine wave signals below tens of megahertz.
3) Capacitor three-point oscillator circuit
Another commonly used oscillator circuit is the capacitor three-point oscillator circuit, see Figure (a). In the figure, the inductor L and the capacitor C1 and C2 constitute a resonant circuit that acts as a frequency selection. The feedback voltage is taken from the capacitor C2 and added to the base of the transistor VT. As can be seen from Figure (b), the input voltage and feedback voltage of the transistor are in phase, meeting the phase balance condition, so the circuit can vibrate. Since the three poles of the transistor in the circuit are respectively connected to the three points of the capacitor C1 and C2, it is called the capacitor three-point oscillation circuit.
The characteristics of the capacitor three-point oscillator circuit are: high frequency stability, good output waveform, the frequency can be up to 100 MHZ or more, but the frequency adjustment range is small, so it is suitable for a fixed frequency oscillator. Its oscillation frequency is: f 0 =1/2π LC, where C= C 1 +C 2.
The amplifiers in the above three types of oscillating circuits are common emitter circuits. The oscillator with common emitter connection has higher gain and is easy to vibrate. The amplifier in the oscillator circuit can also be connected into a common base circuit form. The oscillator with common-base connection has high oscillation frequency and good frequency stability.
RC oscillator
The frequency selection network of RC oscillator is RC circuit, and their oscillation frequency is relatively low. There are two types of circuits commonly used.
1) RC phase shift oscillation circuit
The characteristics of RC phase shift oscillator circuit are simple and economical, but the stability is not high and the adjustment is not convenient. It is generally used as a fixed frequency oscillator and the requirements are not too high. Its oscillation frequency is: when the parameters of the 3-section RC network are the same: f 0 = 1 2π 6RC. The frequency is generally tens of kilohertz.
2) RC bridge oscillator circuit
The performance of RC bridge oscillator circuit is better than that of RC phase shift oscillator circuit. It has high stability, small nonlinear distortion and convenient frequency adjustment. Its oscillation frequency is: f 0 = 1 2πRC when R1=R2=R and C1=C2=C. Its frequency ranges from 1 Hz to 1 MHZ.
7. Amplitude modulation and detection circuit
Broadcasting and radio communication use modulation technology to add low-frequency sound signals to high-frequency signals to transmit. The process of restoring in the receiver is called demodulation. The low-frequency signal is called a modulated signal, and the high-frequency signal is called a carrier. There are two common continuous wave modulation methods: amplitude modulation and frequency modulation, and the corresponding demodulation methods are called detection and frequency discrimination.
Amplitude-modulation circuit
Amplitude modulation is to make the amplitude of the carrier signal change with the amplitude of the modulation signal, and the frequency and phase of the carrier are unchanged. The circuit that can complete the function of amplitude modulation is called the amplitude modulation circuit or modulator.
Amplitude modulation is a nonlinear frequency conversion process, so its key is to use diode, transistor and other nonlinear devices. According to which circuit the modulation process is carried out in, the triode amplitude-modulation circuit can be divided into three kinds: collector amplitude-modulation, base amplitude-modulation and emitter modulation. The following collector amplitude-modulation circuit is taken as an example.
Above is the collector AM circuit, the constant amplitude carrier generated by the high-frequency carrier oscillator is added to the transistor base by T1. The low-frequency modulated signal is coupled to the collector by T3. C1, C2, and C3 are high-frequency bypass capacitors, while R1 and R2 are bias resistors. The LC parallel loop of the collector resonates at the carrier frequency. If the static operating point of the triode is selected in the curved part of the characteristic curve, the triode is a nonlinear device. Because the collector current of the transistor changes with the modulation voltage, the two signals in the collector are amplitude modulated due to the nonlinear action. Since the LC resonant loop is tuned to the fundamental frequency of the carrier, an AM wave output can be obtained at the secondary of T2.
Detection circuit
The function of the detector circuit or detector is to extract the low frequency signal from the amplitude modulated wave. It works exactly the opposite of amplitude modulation. The detection process is also a frequency conversion process, which also uses nonlinear components. Diodes and triodes are commonly used. In addition, in order to take out the low-frequency useful signal, it is necessary to use a filter to filter out the high-frequency component, so the detection circuit usually contains two parts: nonlinear components and filters. The following diode detector as an example to explain its working principle.
Above is a diode detection circuit. VD is a detection element, and C and R are low-pass filters. When the input modulated wave signal is large, the diode VD works intermittently. At positive half cycle, the diode is switched on and C is charged; When the negative half cycle and input voltage are small, the diode is cut off and C is discharged to R. The voltage obtained at both ends of R contains a lot of frequency components, after the capacitor C filter out the high frequency part, and then through the direct current capacitor C0 isolated DC action, the low frequency signal can be restored at the output end.
8. Frequency modulation and discrimination circuit
Frequency modulation is the process by which the carrier frequency varies with the amplitude of the modulated signal, while the amplitude remains constant. Frequency discrimination is to demodulate the original low-frequency signal from the frequency modulation wave, and its process is the opposite of frequency modulation.
Frequency modulation circuit
The circuit that can complete the function of frequency modulation is called the frequency modulator or frequency modulation circuit. The commonly used frequency modulation method is the direct frequency modulation method, that is, the method of directly changing the frequency of the carrier oscillator with the modulated signal. The general idea is shown below, with a variable reactance element connected in parallel to the resonant circuit. The frequency of the carrier oscillator is changed by controlling the variable reactance element parameter with low frequency modulation signal.
Frequency discrimination circuit
The circuit that can complete the frequency identification function is called the frequency discriminator or the frequency discriminator circuit, and sometimes called the frequency detector. The method of frequency discrimination is usually divided into two steps, the first step is to change the constant amplitude of the frequency modulation wave into the frequency modulation wave, the second step is to use a general detector to detect the amplitude change and restore the low frequency signal. Commonly used frequency discriminators are phase discriminator, proportional discriminator and so on.




